Механический замок dormakaba SVP 4000 с функцией мониторинга и антипаники для профильных дверей. Это профессиональное решение для аварийных выходов, обеспечивающее автоматическое запирание, контроль доступа и соответствие строгим требованиям безопасности и эвакуации. Идеально подходит для современных офисных, торговых и административных зданий.
Подробности
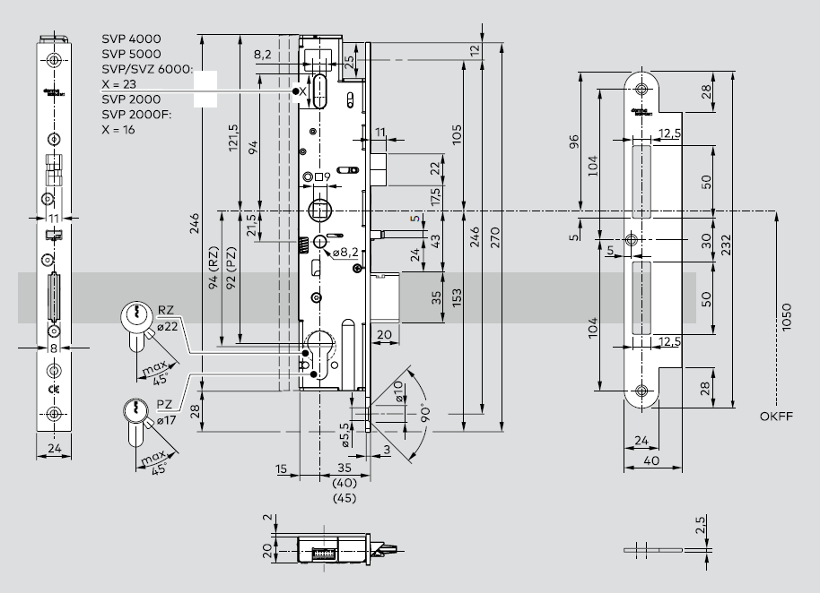
Монтаж—DIN L/R
- DIN L/R
Торцевая планка —24 мм
- 24 мм
Ответная планка—в комплекте
- в комплекте
Межосевое расстояние—92 мм
- 92 мм
Бексет—45 мм
- 35 мм
- 40 мм
- 45 мм
Шток—9 мм
- 9 мм
Артикул:
70473900
46 297,25 руб.*
504,64 €
504,64 €
В корзину
Цена указана с НДС. Курс согласно ЦБ РФ.
Замок dormakaba SVP 4000 — это надежное решение для аварийного выхода с автоматическим запиранием и электронным мониторингом, специально разработанное для установки в современные алюминиевые и стальные профильные двери.
КЛЮЧЕВЫЕ ПРЕИМУЩЕСТВА:
Автоматическое запирание: Замок надежно запирается сразу после закрытия двери, обеспечивая безопасность помещения.
Функция антипаники (аварийной эвакуации): Соответствует стандартам безопасности — изнутри дверь всегда можно мгновенно открыть простым нажатием на ручку, что гарантирует беспрепятственную эвакуацию.
Электронный мониторинг: Замок оснащен системой мониторинга, позволяющей интегрировать его в систему контроля доступа для отслеживания статуса двери (открыто/закрыто, заперто/не заперто) в реальном времени.
Специализированная конструкция: Конструкция оптимизирована для монтажа в популярные профильные системы ведущих производителей.
Надежность: Являясь механическим по своей основе, замок сохраняет полную функциональность даже при отключении электропитания.
Прочный материал: Корпус, лицевая и ответная планки изготовлены из нержавеющей стали, что обеспечивает долговечность и стойкость к коррозии.
Функция антипаники (аварийной эвакуации): Соответствует стандартам безопасности — изнутри дверь всегда можно мгновенно открыть простым нажатием на ручку, что гарантирует беспрепятственную эвакуацию.
Электронный мониторинг: Замок оснащен системой мониторинга, позволяющей интегрировать его в систему контроля доступа для отслеживания статуса двери (открыто/закрыто, заперто/не заперто) в реальном времени.
Специализированная конструкция: Конструкция оптимизирована для монтажа в популярные профильные системы ведущих производителей.
Надежность: Являясь механическим по своей основе, замок сохраняет полную функциональность даже при отключении электропитания.
Прочный материал: Корпус, лицевая и ответная планки изготовлены из нержавеющей стали, что обеспечивает долговечность и стойкость к коррозии.
Область применения:
Замок SVP 4000 идеально подходит для объектов, где требуется сочетание высокого уровня безопасности и видимости состояния двери:
Гарантия производителя 2 года
- Офисные здания класса А и В
- Банки и финансовые учреждения
- Торговые и бизнес-центры
- Государственные учреждения
- Любые другие объекты с профильными дверями, где важен контроль доступа и мониторинг аварийных выходов.
Гарантия производителя 2 года
Технические характеристики dormakaba SVP4000
| Параметр | Значение |
|---|---|
| Тип запирания | Двухточечное (прямой ригель и ригель двойного действия) |
| Вылет ригеля | 20 мм |
| Управление наружной ручкой | Механическое |
| Шпиндель ручки | Квадрат 9 мм |
| Лицевая планка | 24 мм |
| Межосевое расстояние | 92 мм |
| Материал корпуса | Нержавеющая сталь |
| Материал планок | Нержавеющая сталь (входят в комплект) |
| Класс защиты IP | IP54 |
| Параметры контактов мониторинга | Макс. 30 В DC, 100 мА, 1,5 Вт |
Функции мониторинга:
Положение замка: «Заперто» (>90% выхода ригеля) / «Не заперто» (<10%)
Положение двери: «Открыта/Закрыта»
Воздействие на ручку / аварийное открывание / контроль цилиндра
Положение двери: «Открыта/Закрыта»
Воздействие на ручку / аварийное открывание / контроль цилиндра
Замок dormakaba SVP 4000 предназначен для врезного монтажа в профильные двери. Конструкция оптимизирована для стандартных профильных систем. Для подключения к системе мониторинга и контроля доступа требуется отдельный соединительный кабель SVP-A (приобретается отдельно, арт. 8010908) и кабелепроход. Рекомендуется установка квалифицированными специалистами в соответствии с официальной монтажной инструкцией.
Pамок dormakaba серии SVP 4000 соответствует всем международным и российским стандартам безопасности:
• EN 179, EN 1125 - для аварийных выходов
• ГОСТ 5089, ГОСТ 52582, ГОСТ 30244-94 - российские стандарты безопасности
• EN 179, EN 1125 - для аварийных выходов
• ГОСТ 5089, ГОСТ 52582, ГОСТ 30244-94 - российские стандарты безопасности
С этим товаром покупают

