TS Frost – морозостойкий дверной доводчик для входных подъездных дверей.
- EN 4/5
- EN 5/6
32,98 €
Почему стоит выбирать TS Frost:
Экстремальная устойчивость: Специально разработан для работы в условиях низких температур и высокой влажности, что делает его идеальным для уличных дверей.
Регулируемая сила закрытия: Позволяет настроить механизм в зависимости от типа двери, что обеспечивает плавное закрытие. А модель с ветровым тормозом защитит от случайного открывания двери при ветровых и вентиляционных нагрузках.
Легкая установка: Устанавливается на различные типы дверей без специальных инструментов. TS Frost имеет популярные посадочные размеры 208х19 и 230х19, что делает эту модель доводчика востребованной при апгрейде существующей дверей.
Высокая надежность: Долговечные материалы гарантируют надежную работу на протяжении многих лет.
Энергоэффективность: Работа механизма максимально эффективно оптимизирует использование энергии.
Обеспечивает мягкое закрытие двери, тем самым продлевает службу дверной технике
Гарантия производителя 2 года.
| TS Frost I | TS Frost II | |||
|---|---|---|---|---|
| Регулируемое усилие закрывания двери | Размер | EN 4/5 | EN 5/6 | |
| Стандартные двери | ≤ 1250 мм | |||
| Внешние двери с открыванием наружу | ||||
| Универсальный (для дверей левого и правого открывания) | ||||
| Стандартный складной рычаг | ||||
| Ветровой тормоз (Back-check) | – | |||
| Скорость закрывания настраивается путем регулировки клапанов | ||||
| Рабочая температура, ° С | - 30 ... + 60 | |||
| Посадочные размеры, мм | 208 х 19 | 230 х 19 | ||
| Масса, кг | 2,3 | 2,5 | ||
| Габаритные размеры, мм |
Длина Глубина Высота |
227 72 46 |
248 72 46 |
|
| Да / – Нет / Дополнительная опция | ||||
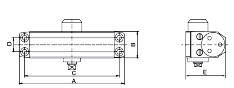
Габаритные чертежи
| A | B | C | D | E | |
| TS Frost I | 227 | 46 | 208 | 19 | 72 |
| TS Frost II | 248 | 46 | 230 | 19 | 72 |

